选择分类:当前分类——当前分类
本站推荐:
超力通手机旅行充电器
文章长度[2377] 加入时间[2007/2/2] 更新时间[2025/12/11 6:20:02] 级别[0] [评论] [收藏]



  本文详细介绍了一种开关型手机充电器的工作原理,对初学者了解具体的开关电源电路及充电控制电路很有意义,这类文章,一般都较受读者欢迎,所以恳请喜欢动手制作、改造的朋友,能够记录下你们的心得,多赐良稿。
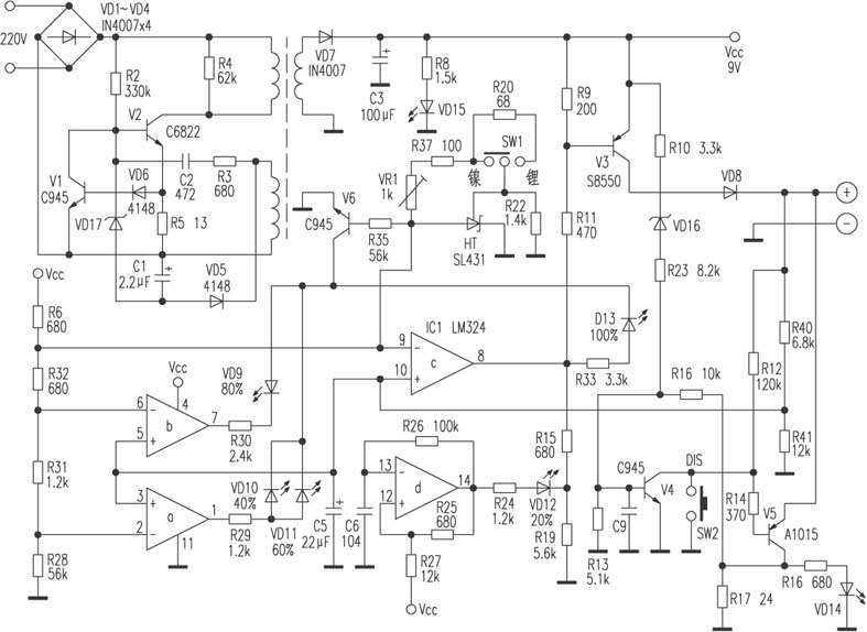
  超力通手机旅行充电器适合给摩托罗拉308、328、338及368等系列手机电池充电。该充电器具有镍镉、镍氢、锂离子电池充电转换开关,并具有放电功能。在150~250V、40mA的交流市电输入时,可输出300±50mA的直流电流。笔者根据实物绘出了工作原理图,供读者参考。
  该充电器采用了RCC型开关电源,即振荡抑制型变换器,它与PWM型开关电源有一定的区别。PWM型开关电源由独立的取样误差放大器和直流放大器组成脉宽调制系统;而RCC型开关电源只是由稳压器组成电平开关,控制过程为振荡状态和抑制状态。由于PWM型开关电源中的开关管总是周期性的通断,系统控制只是改变每个周期的脉冲宽度,而RCC型开关电源的控制过程并非线性连续变化,它只有两个状态:当开关电源输出电压超过额定值时,脉冲控制器输出低电平,开关管截止;当开关电源输出电压低于额定值时,脉冲控制器输出高电平,开关管导通。当负载电流减小时,滤波电容放电时间延长,输出电压不会很快降低,开关管处于截止状态,直到输出电压降低到额定值以下,开关管才会再次导通。开关管的截止时间取决于负载电流的大小。开关管的导通/截止由电平开关从输出电压取样进行控制。因此这种电源也称非周期性开关电源。
  220V市电经VD1~VD4桥式整流后在V2的集电极上形成一个300V左右的直流电压。由V2和开关变压器组成间歇振荡器。开机后,300V直流电压经过变压器初级加到V2的集电极,同时该电压还经启动电阻R2为V2的基极提供一个偏置电压。由于正反馈作用,V2 Ic迅速上升而饱和,在V2进入截止期间,开关变压器次级绕组产生的感应电压使VD7导通,向负载输出一个9V左右的直流电压。开关变压器的反馈绕组产生的感应脉冲经VD5整流、C1滤波后产生一个与振荡脉冲个数呈正比的直流电压。此电压若超过稳压管VD17的稳压值,VD17便导通,此负极性整流电压便加在V2的基极,使其迅速截止。V2的截止时间与其输出电压呈反比。VD17的导通/截止直接受电网电压和负载的影响。电网电压越低或负载电流越大,VD17的导通时间越短,V2的导通时间越长,反之,电网电压越高或负载电流越小,VD5的整流电压越高,VD17的导通时间越长,V2的导通时间越短。V1是过流保护管,R5是V2 Ie的取样电阻。当V2 Ie过大时,R5上的电压降使V1导通,V2截止,可有效消除开机瞬间的冲击电流,同时对VD17的控制功能也是一种补偿。VD17以电压取样来控制V2的振荡时间,而V1是以电流取样来控制V2振荡时间的。
  如果是为镍镉、镍氢电池充电,由于这类电池存在一定的记忆效应,需不定时对其进行放电。SW1是镍镉、镍氢、锂离子电池充电转换开关。SW1与精密基准电源SL431为运放LM324⑨提供两个不同的精密基准源,由SW1切换。在给镍镉、镍氢电池充电时,LM324⑨脚的基准电压约0.09V(空载);在给锂离子电池充电时,LM324⑨脚的基准电压约为0.08V(空载),这种设计是由这两种类型电池特有的化学特性决定的。按下SW2,V5基极瞬间得一低电平而导通,可充电池上的残余电压通过V5的ec极在R17上放电,同时放电指示灯VD14点亮。在按下SW2后会随即释放,这时可充电池上的残余电压通过R16、R13分压,C9滤波后为V4的基极提供一个高电平,V4导通,这相当于短接SW2。随着放电时间的延长,可充电池上的残余电压也越来越低,当V4基极上的电压不能维持其继续导通时,V4截止,放电终止,充电器随即转入充电状态。
  由于锂电不存在记忆效应,当电池低于3V时便不能开机,其残余电压经电阻R40、R41分压后得到2.53V送入运算放大器的同相端③、⑤、⑩脚,由于LM324⑨脚电压在负载下始终为2.66V,因此⑧脚输出低电平,V3导通,+9V电压通过V3 ec极、VD8向可充电池充电。IC1 d在电容C6的作用下,{14}脚输出的是脉冲信号,由于IC1⑧脚为低电平,因此VD12处于闪烁状态,以指示电池正在充电,对应容量为20%。随着充电时间的延长,可充电池上的电压逐渐上升。当R40、R41的分压值约等于2.58V时,即IC1③脚等于2.58V时,IC1②脚经电阻分压后得2.57V,其①脚输出高电平(由于在充电时,IC1⑨脚电压始终是2.66V,V6导通;反之在空载时,IC1⑨脚为0.08V,V6截止),VD10、VD11点亮,对应指示容量为40%、60%。当R40、R41的分压值上升到2.63V时,即IC1⑤脚等于2.63V,其⑥脚经电阻分压后得2.63V,⑦脚输出高电平,VD9点亮,对应充电容量为80%。只有IC1⑩脚电压≥2.66V时,⑧脚才输出高电平,VD13点亮,对应充电容量为100%。即使VD13点亮时,VD12仍处于闪烁状态,这表示电池仍未达到完全饱和。只有IC1⑧脚电压>6.5V时,VD12才逐渐熄灭,表示电池完全充至饱和。
  VD16在电路中起过充、过流保护作用,VD8起反向保护作用,避免充电器断电后,电池反向放电。             


2003.05.07

1、 本站不保证以上观点正确,就算是本站原创作品,本站也不保证内容正确。
2、如果您拥有本文版权,并且不想在本站转载,请书面通知本站立即删除并且向您公开道歉! 以上可能是本站收集或者转载的文章,本站可能没有文章中的元件或产品,如果您需要类似的商品请 点这里查看商品列表!